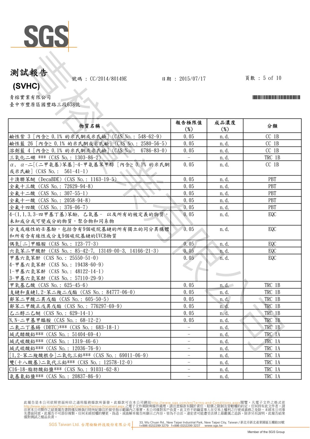
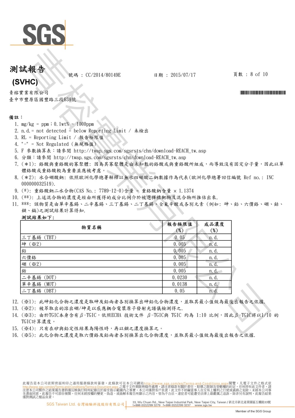
SGS測試-青榕實業有限公司
SGS-SEPPA環保原料-歐盟Reach163項檢測  (Page 1 to 10)